Un casse-noisettes simple et efficace
Casser des noisettes en grand nombre n’est souvent pas une sinécure. Je vous propose de réaliser un casse-noisettes qui ne vous demandera ni beaucoup de matière, ni beaucoup de travail et d’une efficacité redoutable.
A -Principe
Le principe est trivial : On tape sur la noisette avec un marteau !
Mais il y a deux fonctions à assurer :
- La noisette ne doit pas gicler n’importe où.
- La noisette ne doit pas être complètement écrabouillée.
Les deux fonctions sont assurées en plaçant la noisette dans un creux plus grand qu’elle en diamètre mais moins profond qu’elle n’est haute.
B -La pièce principale
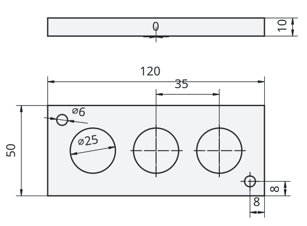
Elle est réalisée dans du contre-plaqué de 10mm d’épaisseur. Elle est représentée en perspective sur la figure 1, et en dessin technique sur la figure 2.

figure 1

figure 2
Les gros trous sont percés avec un foret plat de 25mm.
Ne pas percer tout de suite les petits trous de diamètre 6.
C -La seconde pièce
Elle se place sous la première. Elle n’est pas nécessaire si vous disposez d’une table à toutes épreuves ou d’une pièce métallique épaisse voire d’une petite enclume. Une bonne planche à découper en bois d’olivier peut aussi convenir.
Dans le cas contraire, réalisez la avec du bois aussi dur que possible. Elle aura au minimum les mêmes dimensions que la première pièce en longueur et largeur. Son épaisseur est laissée à votre discrétion.

- Placez les 2 pièces l’une sur l’autre et percez l’ensemble aux deux emplacements indiqués avec un foret de D = 3.
- Vissez des vis à bois D = 3,5 ou 4 dans les trous de la seconde pièce. Elles doivent dépasser de quelques mm pour se loger dans les trous de la première pièce.
- Agrandissez les trous de la première pièce au diamètre des têtes de vis augmenté de 1mm.
D -Utilisation
Placez la première pièce sur la seconde en vous laissant guider par les vis.
Placez une noisette dans chaque trou.
Tapez fort sur chaque noisette avec un marteau ou un maillet en bois dur. Le maillet ne doit pas rebondir. Accompagnez le mouvement jusqu'à l'arrêt.
Si la noisette ne dépasse pas, inclinez le manche du maillet. Pour les noisettes vraiment petites, je vous conseille de placer au fond du trou une, voire 2, pièces de 20cts.
Retirez la pièce du dessus pour dégager les noisettes. Décortiquez.
Bon appétit !
PS. : Je vous ai présenté un modèle à 3 trous, mais vous pouvez bien sûr en mettre moins ou (beaucoup) plus. À vous de voir.
Vous pouvez, sur le même principe, réaliser un casse-noix. Il faudra juste adapter le diamètre des trous et l'épaisseur de la pièce du dessus.
******** © M GUIGNARD 2025 *******
Comments powered by CComment